全国高端品茶联系方式_全国高端外围安排_全国空降同城微信人到付款_全城空降软件

欢迎光临乐清市莱斯欣电子有限公司! 热线电话: 0577-62337166
服务体系: 网站首页产品中心 拨动开关 >KS

KS

KS.jpg

描述 

●滑动开关

●双刀多段

●额定电压电流

6A 125Vac,3A 250 Vac

3A 250V~,T85/55 

●获得认证:ULcUL,TUV,CQC

●温度限:85℃ Max. 

●耐高压:2500Vac

●绝缘电阻:>100MΩ

●寿命:10000cycles

●接触电阻: <50MΩ

●Resistance to tracking(PTI):175V

●适用器具类别:Ⅱ

●防护级别:IPOO 


尺寸图

201142616537419.jpg

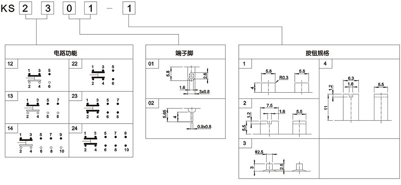
标识订货

2011425165132370.jpg

主站蜘蛛池模板: 乡宁县| 大邑县| 台南市| 梅河口市| 托克逊县| 阿巴嘎旗| 南涧| 姜堰市| 股票| 贵德县| 博白县| 大竹县| 鲜城| 邯郸市| 噶尔县| 普洱| 东方市| 宜州市| 大足县| 含山县| 永平县| 山东省| 秦安县| 曲周县| 汝城县| 斗六市| 龙口市| 望城县| 德庆县| 赤峰市| 城市| 崇仁县| 宝应县| 汪清县| 昌平区| 泸定县| 湘阴县| 桦川县| 邢台县| 利津县| 揭东县|