M1

描述
●按压开关●单刀(双刀)●额定电压电流4A 125/250Vac,T1501A 125/250Vac,T150 ●获得认证:ULcUL●温度限:150℃ Max. ●耐高压:2500Vac●绝缘电阻:>100MΩ●寿命:10000cycles●接触电阻: <50MΩ●Resistance to tracking(PTI):175V●适用器具类别:Ⅱ●防护级别:IPOO
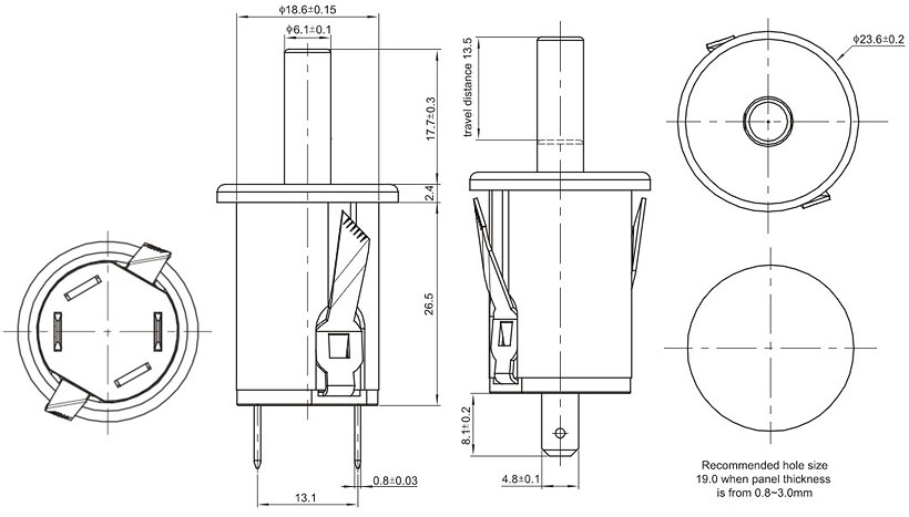
尺寸图

标识订货

主站蜘蛛池模板:
吉安县|
宁津县|
西宁市|
临沧市|
荥经县|
津南区|
平原县|
蚌埠市|
平昌县|
淳安县|
玉溪市|
太白县|
康保县|
霞浦县|
乌兰察布市|
大悟县|
大厂|
万宁市|
昌吉市|
西峡县|
北京市|
寻甸|
孝感市|
祁连县|
大宁县|
社旗县|
洪江市|
徐州市|
泰来县|
葫芦岛市|
咸丰县|
阳山县|
和林格尔县|
那曲县|
应城市|
浮山县|
绥芬河市|
周至县|
河曲县|
微博|
海伦市|