全国高端品茶联系方式_全国高端外围安排_全国空降同城微信人到付款_全城空降软件

欢迎光临乐清市莱斯欣电子有限公司! 热线电话: 0577-62337166
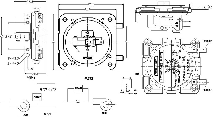
服务体系: 网站首页产品中心 风压开关 >C6467

C6467

C6467.jpg

描述 

●风压开关

●用于燃气设备

●额定值

1A 125/250VAC, 3A 125/250VAC

●认证:UL cUL certificate

●规格:

温度范围:85℃ Max

耐高压:1500Vac/1min.

动作点:20-400Pa can be set by factory

耐久:10000 cycles

最大压力:1000Pa

接触电阻:100mOhm Max.

尺寸图

2011428111555799.jpg

标识订货


2011428111820249.jpg

主站蜘蛛池模板: 乌鲁木齐县| 泾源县| 高平市| 鱼台县| 怀柔区| 巨野县| 宜良县| 青岛市| 沂水县| 卓尼县| 古丈县| 栾城县| 扬中市| 榆树市| 突泉县| 江西省| 卓资县| 南充市| 望城县| 伊宁市| 兰溪市| 习水县| 丰镇市| 河北省| 新田县| 永靖县| 上虞市| 云林县| 宁国市| 乐安县| 鄂托克前旗| 稻城县| 茶陵县| 六枝特区| 德阳市| 肇源县| 上饶县| 东乡族自治县| 合山市| 九龙城区| 仙居县|